MASTERS GROUP ™


Vaillant atmoTEC pro VUW 240/5-3 – высокоэффективный настенный газовый котёл с встроенным вторичным теплообменником, идеально подходит для отопления и горячего водоснабжения в домах и квартирах. Мощность аппарата регулируется благодаря модулирующей горелке, обеспечивая надёжность и экономичность в использовании. Встроенный расширительный бак, циркуляционный насос и медный теплообменник с КПД ≥ 91% гарантируют длительный срок службы и низкие эксплуатационные расходы.
Система автоматического переключения на горячее водоснабжение срабатывает при расходе воды от 1,5 л/мин, а интеллектуальное управление мощностью адаптируется под изменение температуры и расхода воды. Электронное зажигание, защита от замерзания и заклинивания насоса повышают удобство и безопасность использования.
ЖК-дисплей с подсветкой и кнопочное управление делают эксплуатацию удобной и интуитивно понятной. Предусмотрена возможность выбора летнего или зимнего режима и настройка частичной мощности в режиме отопления. Котёл не предназначен для использования в каскадных системах, но его компактное исполнение (минимальный зазор 10 мм) позволяет комфортно установить его даже в ограниченном пространстве.
Присоединительный комплект входит в стандартную комплектацию, адаптация возможна через систему eBus, что делает Vaillant atmoTEC pro VUW 240/5-3 идеальным решением для современного жилья.


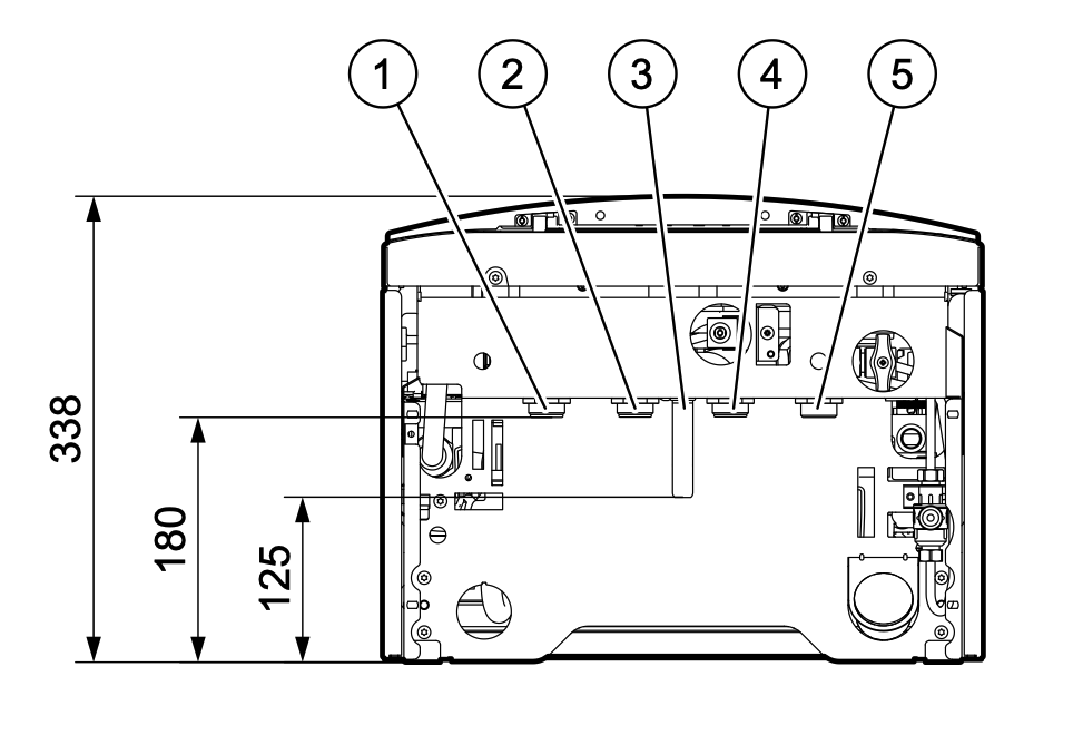
1 Подающая линия системы отопления, R 3/4”
2 Выход горячей воды, R 3/4”
3 Подсоединение газа:
гладкая труба 15 под обжимной переходник
на R 3/4”
4 Вход холодной воды, R 3/4” на 1/2”
5 Обратная линия отопления, R 3/4”
6 Кронштейн (скоба) для подвески аппарата
7 Патрубок дымохода/воздуховода 130 мм

Если вы не нашли нужную интрукцию, то свяжитесь с нами по телефону 8 (911) 923-75-08

Главная благодарность за наш труд — это ваше спокойствие и комфорт в каждом уголке вашего жилья.



Котлы Vaillant atmoTEC plus VU, atmoTEC plus VUW и atmoTEC pro VUW — это современные решения, которые сочетают в себе высокую производительность и энергоэффективность. Благодаря модулирующей горелке, мощность котлов регулируется в зависимости от потребностей, что обеспечивает экономию энергии и комфорт. Медный теплообменник гарантирует КПД ≥ 91 %, а также долговечность и устойчивость к коррозии. Эти котлы идеально подходят для отопления и подготовки горячей воды в частных домах и квартирах.








Модели atmoTEC plus VUW и atmoTEC pro VUW оснащены встроенным приготовлением горячей воды, что делает их идеальными для домов с высокими требованиями к комфорту. Автоматическое переключение в режим ГВС при расходе от 1,5 л/мин обеспечивает мгновенный нагрев воды без лишних энергозатрат. Это особенно удобно для семей, где требуется постоянное наличие горячей воды.







Превратите ваш котел Vaillant в интеллектуальное устройство с системой vLINK. Управляйте, контролируйте и оптимизируйте работу вашего отопления и горячего водоснабжения из любой точки мира. Простое и удобное приложение делает ваш дом комфортным, а вашу жизнь — проще.

Регулируйте температуру, включайте или выключайте котел, настраивайте режимы работы прямо со смартфона. Больше не нужно беспокоиться, если вы забыли что-то изменить перед выходом из дома.

Управляйте отоплением в загородном доме, квартире или офисе через одно приложение. Все объекты под рукой!

Делитесь управлением с близкими. Теперь ваша семья тоже может контролировать комфорт в доме.

Решайте вопросы быстро и удобно. Общайтесь с сервисным центром прямо в приложении, без звонков и ожидания.
Мы используем файлы cookie и аналогичные технологии для улучшения вашего опыта на нашем веб-сайте. Прочтите нашу Политику конфиденциальности.